治工具類
テーブル
NC円テーブル
BNC320L
ユキワ精工株式会社 の テーブル
ユキワ精工株式会社
BNC320L
お気に入りに追加
比較リストに選択
メーカーページへ
お問い合わせ
カタログをダウンロード
機械選定や仕様、導入に関するご不明点・お悩みがございましたら、 下記よりお気軽にご相談ください。
詳しい情報を聞く
メーカー
ユキワ精工株式会社
分類
NC円テーブル
製品名
BNC320L
特長・特徴
・強力クランプ:クラス最大!高いクランプ力
・ビッグボア:クラス最大のテーブル中心貫通穴
・高剛性軸受構造:テーブル軸を大径軸受でガッチリ支持
・精密割出:割出精度 累積20秒以内
勝手
左勝手
許容作業荷重_垂直
(N)
18000
許容作業荷重_水平
(N)
1320
許容作業荷重_円周方向
(N)
2800
許容慣性モーメント 横使用時
(kg・m²)
2.5
許容慣性モーメント 縦使用時
(kg・m²)
5
ワーク最大径
(mm)
320
適合スクロールチャックサイズ
(inch)
10, 12
潤滑方式
オイルバス方式
バックラッシュ調整方式
複リードウォームギヤ方式
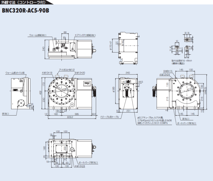
テーブル直径
(mm)
φ : 320
テーブル面高さ
(mm)
240
テーブルインロー穴径
170H7 深さ10
テーブル中心貫通穴径
(mm)
160
センタハイト
(mm)
230
駆動モータ
1.50~2.20
減速比
1/90
テーブル最高回転速度
(min-1)
22.2
テーブル回転トルク
(N・m)
230
割出精度
(")
20
ガイドピース巾
18h7
クランプ方式
空圧(0.3~0.5MPa)
クランプトルク
(N・m)
3000
割出時間
10°:0.91秒、30°:1.07秒、90°:1.55秒、180°:2.23秒
本体取付方向
横(縦は、ご注文の際ご指示ください)
質量
(kg)
175
備考
標準付属品:ガイドピース(2個)、本体取付金具(4セット)、テーブルクランプ用エアチューブ(5m)
特別付属品:テールストック、サイドテーブル
メーカーHP
メーカーページへ
お問い合わせ
カタログをダウンロード
機械選定や仕様、導入に関するご不明点・お悩みがございましたら、 下記よりお気軽にご相談ください。
詳しい情報を聞く
こちらの製品も見られています
株式会社北川鉄工所
RKT500(M信号仕様)
株式会社北川鉄工所
TT182(M信号仕様)
株式会社北川鉄工所
MK200(付加軸仕様)
株式会社北川鉄工所
TT101(M信号仕様)
株式会社北川鉄工所
MK200(M信号仕様)
株式会社北川鉄工所
TT101(付加軸仕様)
株式会社北川鉄工所
CK160
株式会社北川鉄工所
RK201(付加軸仕様)
株式会社北川鉄工所
TT140(付加軸仕様)
株式会社北川鉄工所
TW182(M信号仕様)
株式会社北川鉄工所
RKT500(M信号仕様)
株式会社北川鉄工所
TT182(M信号仕様)
株式会社北川鉄工所
MK200(付加軸仕様)
株式会社北川鉄工所
TT101(M信号仕様)
株式会社北川鉄工所
MK200(M信号仕様)
株式会社北川鉄工所
TT101(付加軸仕様)
株式会社北川鉄工所
CK160
株式会社北川鉄工所
RK201(付加軸仕様)
株式会社北川鉄工所
TT140(付加軸仕様)
株式会社北川鉄工所
TW182(M信号仕様)
株式会社北川鉄工所
RKT500(M信号仕様)
株式会社北川鉄工所
TT182(M信号仕様)
株式会社北川鉄工所
MK200(付加軸仕様)
株式会社北川鉄工所
TT101(M信号仕様)
株式会社北川鉄工所
MK200(M信号仕様)