治工具類
テーブル
NC円テーブル
JNC200L
ユキワ精工株式会社 の テーブル
ユキワ精工株式会社
JNC200L
お気に入りに追加
比較リストに選択
メーカーページへ
お問い合わせ
カタログをダウンロード
機械選定や仕様、導入に関するご不明点・お悩みがございましたら、 下記よりお気軽にご相談ください。
詳しい情報を聞く
メーカー
ユキワ精工株式会社
分類
NC円テーブル
製品名
JNC200L
特長・特徴
・強力クランプ:当社従来比1.7倍
・精密割出&高耐久性:高耐久性特殊合金のウォームホイール採用
・防水構造:オートパージ標準装備
・低価格:コントローラAC5とのセットで低価格実現
勝手
左勝手
テーブルT溝
70H7 深さ10
許容作業荷重_垂直
(N)
7000
許容作業荷重_水平
(N)
4000
許容作業荷重_円周方向
(N)
2600
許容慣性モーメント 横使用時
(kg・m²)
0.5
許容慣性モーメント 縦使用時
(kg・m²)
1
ワーク最大径
(mm)
200
適合スクロールチャックサイズ
(inch)
6.7
潤滑方式
オイルバス方式
バックラッシュ調整方式
軸偏心方式
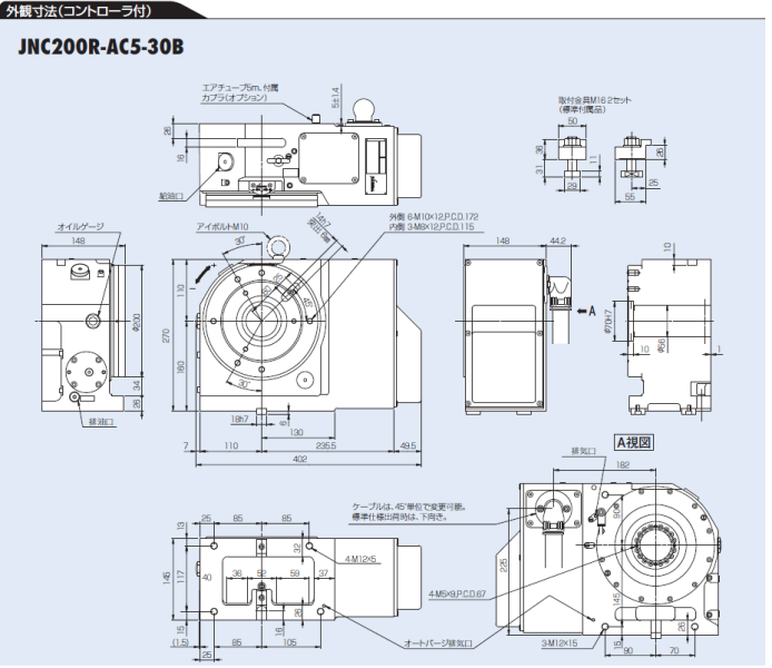
テーブル直径
(mm)
φ : 200
テーブル面高さ
(mm)
148
テーブル中心貫通穴径
(mm)
56
センタハイト
(mm)
160
駆動モータ
0.75
減速比
1/90
テーブル最高回転速度
(min-1)
33.3
テーブル回転トルク
(N・m)
65
割出精度
(")
30
ガイドピース巾
18h7
クランプ方式
空圧(0.5~0.7MPa)
クランプトルク
(N・m)
450
割出時間
10°:1.03秒、30°:1.21秒、90°:1.48秒、180°:1.95秒
本体取付方向
横(縦は注文時指定)
質量
(kg)
58
備考
標準付属品:ガイドピース(2個)、本体取付金具(2セット)、テーブルクランプ用エアチューブ(5m)
特別付属品:テールストック、サイドスピンドル、油圧・エア・スクロールチャック用チャックフランジ、油・空圧ロータリジョイント(6P)
メーカーHP
メーカーページへ
お問い合わせ
カタログをダウンロード
機械選定や仕様、導入に関するご不明点・お悩みがございましたら、 下記よりお気軽にご相談ください。
詳しい情報を聞く
こちらの製品も見られています
株式会社北川鉄工所
RKT500(M信号仕様)
株式会社北川鉄工所
TT182(M信号仕様)
株式会社北川鉄工所
MK200(付加軸仕様)
株式会社北川鉄工所
TT101(M信号仕様)
株式会社北川鉄工所
MK200(M信号仕様)
株式会社北川鉄工所
TT101(付加軸仕様)
株式会社北川鉄工所
CK160
株式会社北川鉄工所
RK201(付加軸仕様)
株式会社北川鉄工所
TT140(付加軸仕様)
株式会社北川鉄工所
TW182(M信号仕様)
株式会社北川鉄工所
RKT500(M信号仕様)
株式会社北川鉄工所
TT182(M信号仕様)
株式会社北川鉄工所
MK200(付加軸仕様)
株式会社北川鉄工所
TT101(M信号仕様)
株式会社北川鉄工所
MK200(M信号仕様)
株式会社北川鉄工所
TT101(付加軸仕様)
株式会社北川鉄工所
CK160
株式会社北川鉄工所
RK201(付加軸仕様)
株式会社北川鉄工所
TT140(付加軸仕様)
株式会社北川鉄工所
TW182(M信号仕様)
株式会社北川鉄工所
RKT500(M信号仕様)
株式会社北川鉄工所
TT182(M信号仕様)
株式会社北川鉄工所
MK200(付加軸仕様)
株式会社北川鉄工所
TT101(M信号仕様)
株式会社北川鉄工所
MK200(M信号仕様)